Trong lĩnh vực điện, việc thể hiện thiết bị trên giấy là rất quan trọng vì nó giúp người lắp đặt có cái nhìn tổng quan và tìm ra vấn đề của mạch điện. Tuy nhiên, do cấu tạo phức tạp của các thiết bị, chúng không thể được vẽ trên giấy với độ chân thực cao. Do đó, các thiết bị được kí hiệu một cách đơn giản để có thể thể hiện nét đặc trưng của chúng. Chuyên gia điện cần phải nắm vững các ký hiệu này để đọc mạch điện trên bản vẽ. Tuy nhiên, đối với những người không có chuyên môn về điện, việc đọc hiểu các ký hiệu này là rất khó khăn. Vì thế, Wemark Laser cung cấp thông tin để giúp những người ham học hỏi, tìm hiểu về kí hiệu điện và có thể đọc sơ đồ mạch điện.
1. Những ký hiệu trong sơ đồ mạch điện dân dụng





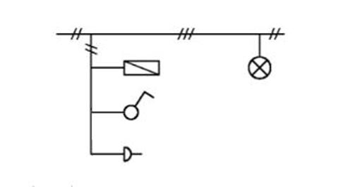
Sơ đồ này không cho biết cách bố trí và đặt các thiết bị. Đây là sơ đồ mô tả mối liên hệ về điện. Sơ đồ nguyên lý điện dân dụng được dùng để nghiên cứu về nguyên tắc hoạt động của các thiết bị điện và mạch điện. Ví dụ, sơ đồ nguyên lý của mạch điện đơn giản gồm 1 cái cầu chì, 1 cái công tắc điều khiển, 1 bóng đèn và 1 ổ cắm như sau:

Nhờ bản đồ cáp, chúng ta có thể phân biệt vị trí lắp đặt của các thiết bị trong thực tế, đặc biệt là khi chúng được đặt trên cùng một bảng điện, trên tường hoặc trần và giống nhau. Việc bảo trì và cài đặt trở nên dễ dàng hơn nhờ bản đồ này, bởi chúng ta có thể tính toán được đường dây, ống dẫn, hộp kết nối dây…

Sơ đồ mạch được sử dụng để mô tả số lượng dây nối ngoài thực tế và vị trí của các thiết bị. Số lượng dây chạy trên mạch có thể được biểu diễn thông qua sơ đồ đơn tuyến bằng cách đếm số đường chéo trên mạch hoặc số đường ngang trên mạch và ghi lại số đó là số đường dây.

2. Những ký hiệu trong sơ đồ mạch điện công nghiệp


Mạch đảo chiều động cơ 3 pha
Trên thực tế, mạch đổi chiều trực tiếp động cơ hiếm được sử dụng. Thay vào đó, chúng ta thường sử dụng mạch tự động giới hạn hành trình và đổi chiều quay gián tiếp. Nếu cần thiết, chúng ta có thể lắp thêm hăm động năng.

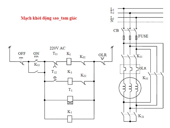
Mạch điện khởi động sao tam giác
“Động cơ được thiết kế để hoạt động ở chế độ tam giác và được sử dụng để kéo tải hoặc thiết bị nhẹ nhằm giảm dòng khởi động cho động cơ thường sử dụng mạch này.”

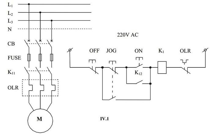
Sơ đồ mạch điện khởi động động cơ có thử nháp
Dùng mạch này để kiểm tra hướng quay và tình trạng của động cơ trước khi đưa vào vận hành chính thức.

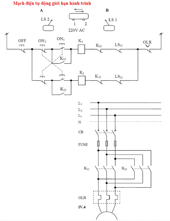
Sơ đồ mạch điện tự động giới hạn hành trình
Mạch này thường được dùng để mở và đóng cửa trường học, bệnh viện, cửa cuốn và nhiều hơn thế nữa.

Những từ viết tắt thường gặp trong sơ đồ mạch điện
FM – Biến tần số: Phương pháp điều chế tần số.
AC _ Alterating Current : Dòng điện chuyển động theo chiều xoay.
DC – Direct Current: Dòng điện chỉ chạy theo một hướng.
FCO _ Fuse Cut Out: Thiết bị ngắt mạch tự động.
LBFOC – Load Breaker Fuse Cut Out: Thiết bị cắt điện tự động kết hợp với cầu chì để ngắt tải.
CB – Circuit Breaker: Thiết bị ngắt mạch.
ACB _ Air Circuit Breaker: Thiết bị cắt điện bằng không khí.
MCCB – Máy cắt khối tự động: Thiết bị có dòng cắt lớn hơn 100A.
MCB _ Bộ ngắt mạch loại nhỏ: Phần tử cắt nguồn nhỏ gọn.
VCB _ Vacuum Circuit Breaker: Thiết bị ngắt mạch hút chân không.
RCD _ Thiết bị chống điện dư: Công cụ bảo vệ an toàn điện.
DF: Hệ số biến dạng hay còn gọi là Distortion Factor.
THD: Tổng méo dạng harmonic : độ lệch sóng do sóng hài.
Những ký hiệu điện tử bằng tiếng anh
VBAT. – Pin Volt.
VCHG – Sạc điện Volt.
VPH-PWR. – Điện thoại có năng lượng điện cao.
Liên hệ qua UIM để đăng ký sim.
HSED – Chuyển đổi tai nghe.
MIC – Bộ thu âm thanh.
HPH L/R. – Loa Tai Nghe Trái/Phải.
BT – Công nghệ Bluetooth.
VIB. – Thiết bị rung.
GPIO – Đầu vào và đầu ra đa năng.
MIPI – Giao diện Bộ xử lý Công nghiệp Di động.
Giao diện chuỗi hiển thị – DSI.
CSI – Giao diện Camera Nối tiếp.
EARP/EARN. – Tai nghe.
CAM/VCM. -Thiết bị quay phim / Máy quay phim.
MCAM – Máy ảnh chính.
SCAM – Máy ảnh nô lệ.
TP – Điểm Chạm/Kiểm Tra.
Thẻ nhớ TF – Thẻ SD.
VPROC. – Điện áp Bộ xử lý.
VCORE – Chip điện áp lõi kỹ thuật số.
ROM – Bộ nhớ chỉ đọc.
RAM – Bộ nhớ ngẫu nhiên chỉ đọc.
SRAM. – Bộ nhớ Truy cập Ngẫu nhiên Tĩnh.
SDRAM – Bộ nhớ truy cập ngẫu nhiên đồng bộ.
VREG. – Bộ điều chỉnh điện áp.
VREGS. – Bộ điều khiển điện áp chuyển đổi.
VREGL. – Bộ điều chỉnh điện áp tuyến tính.
LDO – Giảm độ rơi thấp.
DAC – Bộ chuyển đổi số sang tương tự.
ADC – Bộ chuyển đổi tín hiệu từ analog sang kỹ thuật số.
SMSP – Nguồn cung cấp chuyển đổi chế độ.
Loa tai – Ear Speaker.
USB – Bus Dịch vụ Toàn cầu.
DP. – Dữ liệu cộng thêm (+).
DM – Data Minus (-).
SIM – Mô-đun Nhận Dạng Thuê Bao.
NFC – Giao tiếp trường gần.
RTC – Đồng hồ thời gian thực.
COMP. – Bổ ngữ.
CTRL. – Điều khiển.
Kích hoạt (hoặc cho phép).
PWM – Modul xoắn động độ rộng xung.
CABC. – Điều khiển đèn nền phù hợp với nội dung.
CSI – Giao diện Camera Nối tiếp.
Giao diện chuỗi hiển thị – DSI.
MIPI – Giao diện Bộ xử lý Công nghiệp Di động.
CMOS là viết tắt của Complementary Metal Oxide Semiconductor.
BSI. – Chỉ báo trạng thái pin.
PCB – Bảng Mạch In.
ESD – Sự xả điện tĩnh điện.
EMI – Giải mã điện từ.
SAW. – Sóng siêu âm bề mặt.
BB – Đầu thu sóng.
ANT. – Ống dẫn tín hiệu.
RX. – Nhận được.
AC – Điện xoay chiều.
DC – Điện xoay chiều.
C. – Tụ điện.
R. – Trở kháng.
D. – Đi-ốt.
ZD. – Điốt Zener.
LDR – Cảm biến điện trở phụ thuộc ánh sáng.
Đèn LED – viết tắt của Light Emitting Diode.
OLED – Diode phát sáng hữu cơ.
AMOLED viết tắt của Active Matrix Organic Light Emitting Diode.
Cuộn L.
Cuộn lọc Ferrite Bead của LB.
Transistor.
SOT. – Transistor hình dáng nhỏ.
FET – Transistor tác động trường.
MOSFET – Transistor hiệu ứng trường bằng bán dẫn ôxit kim loại.
BJT – Transistor Liên kết hai đường n-p.
UJT – Transistor unipolar điểm kết nối.
Phát hiện sạc điện áp Volt.
CHRLDO. – Nguồn cấp điện tuyến tính sạc.
ISENSE. – Nhận dạng Dòng sạc hiện tại.
INT. – Ngắt.
Đất – Mặt đất.
NC – Không kết nối.
TCXO. – Bộ dao động nhiệt độ điều chỉnh.
SDA – Dữ liệu chuỗi.
SCL – Đồng hồ chu kỳ tuần tự.
RST. – Khởi động lại.
SDIO – Giao tiếp dữ liệu nối tiếp vào/ra.
WIFI – Công nghệ mạng không dây.
Mạng WLAN – Mạng không dây khu vực địa phương.
DDR – Kỹ thuật Nhớ đôi dữ liệu.
LPDDR – Tốc độ kép tiết kiệm điện.
IC – Mạch tích hợp.
EMMC – Thẻ đa phương tiện nhúng.
PMU. – Đơn vị quản lý năng lượng.
NTC. – Hệ số nhiệt âm.